12kV Indoor High Voltage AC Earthing Switch

GPJN15-12/31.5kA Indoor High Voltage AC Earthing Switch
General
GPJN15-12(7.2)/31.5 type indoor high voltage earthing switch is the assembly type products, its performance meet GB1985-2004 High Voltage AC Disconnector and Earthing Switch and the requirements of standard IEC62271-102:2002. The products suit for power system with 3.6kV-12kV, 3 phase, AC, 50(60)Hz; It has capacity of short-circuit close to protect the electrical equipment from damage, applicable for high voltage switchgear arrangement as the earthing protection when do maintenance.
Condition of use
Ambient temperature: upper limit +45°C, lower limit -25°C
The altitude does not exceed 1000m
Daily average value of relative humidity: ≤95%. Monthly average value of relative humidity: ≤90%
Seismic intensity not exceeding 8 degree
Pollution class: II
Special condition: Please specify when ordering.
Ordering notice
When ordering earthing switch, shall specify products model, rated voltage, phase distance, thermal stability current, with or without live indicator device. (If necessary, please specify the monitor model).
If flexible connection lengths required longer. (Standard arrangement of the soft connection length L = 240mm).
Number of the auxiliary switch, terminal needs to lead or not.
Specify the operation direction: Left or right.
About the operation direction of left or right, which is the easiest to mistake when ordering, so my company will be as follows:
Stand in the front of the product, insulator in the top face, the movable blade in the bottom, then the main shaft in the left hand is left operating earthing switch, shown in Figure (1).
Stand from of the product, insulator in the top face, the movable blade in the bottom, then the main shaft in the right hand is right operating earthing switch, shown in Figure (2).
Since the earthing switch can be installed in any orientation, you carefully check the required operation direction, According to the above instruction of Figure (1) and (2), to select the required left or right operating earthing switch.
If any special requirements, please contact with Green Power to develop detailed specifications.
Specification
Drawing
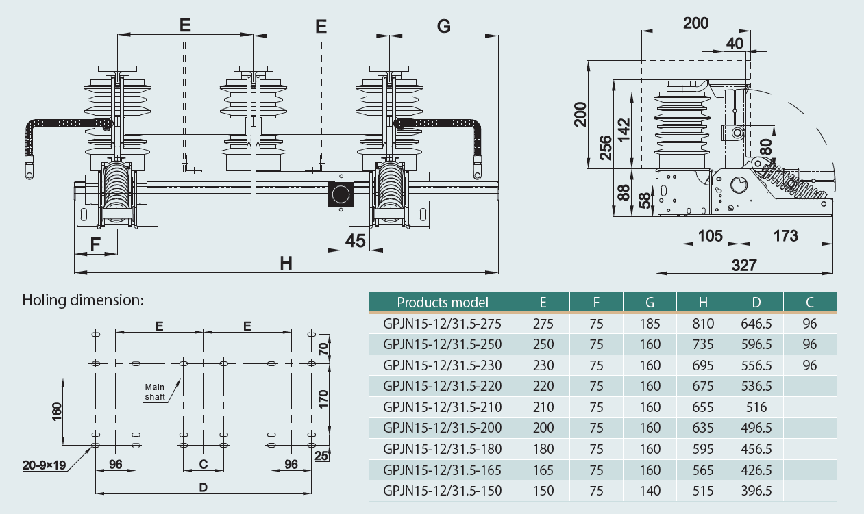
GPJN15-12/31.5 Earthing switch outline and installation dimension

Busbar joint surface dimension

GPJN15-17.5/31.5kA Earthing switch outline dimension

GPJN15-12/40 Indoor High Voltage Earthing Switch
General
GPJN15-12(7.2)/40-100 type indoor high voltage earthing switch is the assembly type products, its performance meet GB1985-2004 High Voltage AC Disconnector and Earthing Switch and the requirements of standard IEC62271-102:2002. The products suit for power system with 3-12kV, 3 phase, AC, 50(60) Hz; It has capacity of short-circuit close to protect the electrical equipment from damage, Applicable for high voltage switchgear arrangement as the earthing protection when maintenance.
Condition of use
Ambient temperature: upper limit +45°C, lower limit -25°C
The altitude does not exceed 1000m
Daily average value of relative humidity: ≤95%. Monthly average value of relative humidity: ≤90%
Seismic intensity not exceeding 8 degree
Pollution class: II
Special condition: Please specify when ordering.
Ordering notice
When ordering earthing switch, please specify product model, right or left operation, phase distance, with or without live indicator device (specify the indicator model).
Flexible connect length need extend or not (Standard L=240mm).
If any special requirements, please contact with Green Power to develop detailed specifications.
Specification
Drawing
GPJN15-12/50 Indoor High Voltage Earthing Switch
General
GPJN15-12/50 type indoor high voltage earthing switch is the assembly type products, its performance meet GB1985-2004 High Voltage AC Disconnector and Earthing Switch and the requirements of standard IEC62271-102:2002. The products suit for power system with 3-12kV, 3 phase, AC, 50(60) Hz, large capacity and high breaking performance; It has capacity of short-circuit close to protect the electrical equipment from damage, Applicable for high voltage switchgear arrangement as the earthing protection when maintenance.
Condition of use
Ambient temperature: upper limit +45°C, lower limit -25°C
The altitude does not exceed 1000m
Daily average value of relative humidity: ≤95%. Monthly average value of relative humidity: ≤90%
Seismic intensity not exceeding 8 degree
Pollution class: II
Special condition: Please specify when ordering.
Ordering notice
When ordering earthing switch, please specify product model, right or left operation, phase distance, with or without live indicator
device (specify the indicator model).
Flexible connect length need extend or not (Standard L=500mm).
If any special requirements, please contact with Green Power to develop detailed specifications.
Specification
Drawing
Outline and installation dimension










